Pasar al contenido principal

Solar

¡Fotovoltaica y Aerotermia, tu próximo gran proyecto!


La aerotermia está revolucionando la eficiencia energética en muchos hogares, permitiéndoles dar uso a sus excedentes fotovoltaicos de manera óptima. Descubre todo sobre su funcionamiento y las ventajas que la aerotermia nos ofrece.

Aerotermia

¿Qué es la aerotermia? Ventajas y beneficios
 

La aerotermia es una tecnología avanzada que aprovecha la energía contenida en el aire exterior para generar calor o frío, ofreciendo una alternativa eficiente y sostenible a los sistemas tradicionales de calefacción y refrigeración.

Sus principales ventajas son:

  • Alta eficiencia: el principio de funcionamiento de la aerotermia es que no genera calor o frio, simplemente lo capta y lo desplaza. Eso hace que con un solo kWh podemos captar y desplazar hasta cuatro kWh. Esta eficiencia no se encuentra en ninguna otra tecnología.
     
  • Facilidad de gestión y control: Aquí es donde entran en juego los activos fotovoltaicos con los que casa muy bien, ya que podemos controlar y gestionar la aerotermia no solo según nuestras necesidades sino según los excedentes fotovoltaicos generados por nuestra instalación, obteniendo un doble beneficio, el primero mediante el autoconsumo directo y el segundo mediante el autoconsumo con desplazamiento de cargas que se efectuarían en horario nocturno. 

Usos de la aerotermia

La aerotermia se utiliza tanto para la calefacción como para la refrigeración del hogar, además de la generación de Agua Caliente Sanitaria (ACS). Este sistema es especialmente útil en climas donde la demanda de calefacción o refrigeración varía mucho durante el año. Una gran ventaja de la aerotermia frente a otras opciones es su capacidad para utilizar energía renovable, específicamente la energía fotovoltaica, para funcionar de manera eficiente. Al aprovechar los excedentes de energía solar, los sistemas de aerotermia pueden reducir significativamente el consumo de energía y las emisiones de CO2, lo que supone un gran ahorro, tanto para la economía doméstica como para el planeta.

Aerotermia


Gestión de excedentes fotovoltaicos

Como decíamos, uno de los mayores beneficios de la aerotermia es su capacidad para ser gestionada en función de los excedentes de energía fotovoltaica. En muchas ocasiones, la energía generada por la instalación solar supera la demanda energética del hogar, (en algunos casos los excedentes pueden significar hasta el 50% de la energía fotovoltaica producida) en lugar de desperdiciar esta energía, la aerotermia puede utilizarla para calentar o enfriar el hogar.
 

Funcionamiento de la Aerotermia
 

  • Sistemas Gestionables

Los sistemas de aerotermia son altamente adaptables y se pueden gestionar con suma facilidad, permitiendo programar el arrancado y la parada según las necesidades energéticas del hogar. Esta capacidad de ajuste es fundamental para optimizar el uso de los excedentes de energía fotovoltaica dependiendo de la hora del día y la energía generada. La gestión de estos sistemas se realiza mediante señales de comunicación que pueden ser simples, como las de encendido y apagado, o más complejas, adaptadas a los parámetros preconfigurados en función de los excedentes energéticos y de las necesidades del hogar para destinar los excedentes a consumos como cargadores de Vehículo eléctrico o baterías.

funcionamiento aerotermia
  • Eficiencia económica y energética

Aunque la inversión inicial en sistemas de aerotermia puede ser alta, los ahorros a largo plazo en costes energéticos sin duda compensan esta inversión con creces. Y es que su capacidad para utilizar los excedentes de energía fotovoltaica reduce significativamente el consumo de gas y los costes de calefacción y refrigeración.

Tengamos en cuenta que la calefacción y el Agua Caliente Sanitaria (ACS) representan el 60% del gasto total energético del hogar medio en España... que no es poco. Si nos tomamos la molestia de cambiar las bombillas de nuestro hogar por bombillas LED cuando esto solo representa un 5% del gasto energético del hogar, ¿no vamos a atacar el problema de raíz e invertir donde más gasto hay?

Además, en muchas ocasiones los clientes pueden acceder a subvenciones públicas disponibles. Estas subvenciones están diseñadas para fomentar el uso de tecnologías renovables y mejorar la eficiencia energética de los hogares. Es importante investigar y aprovechar estas oportunidades para reducir el costo de instalación y maximizar los beneficios financieros.

Adaptabilidad de la Aerotermia
 

  • Regiones Frías vs. Cálidas

La eficacia de la aerotermia varía según la ubicación geográfica. En regiones frías, donde la demanda de calefacción es alta, este sistema resulta especialmente beneficioso. Sin embargo, en zonas cálidas, su uso puede ser más limitado durante ciertos meses del año. Es importante considerar el clima de la región al evaluar la viabilidad de la aerotermia para maximizar sus beneficios.

aerotermia

 

Componentes del Sistema de Aerotermia
 

  • Bomba de Calor

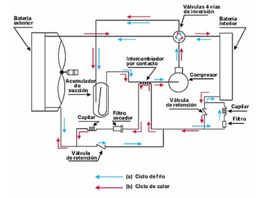
El componente principal de un sistema de aerotermia es la bomba de calor, que extrae calor del aire exterior y lo utiliza para calentar agua y el interior del hogar. Este sistema es altamente eficiente porque utiliza la electricidad solo para mover la bomba de calor, no para generar el calor en sí, por lo que solo necesita captarlo y desplazarlo. De ahí la magia de la aerotermia, tal y como hemos comentado anteriormente, que nos permite con 1kWh captar 4kWh.

aerotermia


La bomba de calor funciona de manera similar a un aire acondicionado en términos de transferencia de calor, pero con una capacidad adicional y notablemente más eficiente para calentar el hogar y el agua sanitaria. A través de un proceso de compresión y expansión de refrigerante, la bomba de calor extrae calor del aire exterior, incluso a bajas temperaturas, y lo transfiere al interior del hogar. Esto es lo que le permite ser una opción altamente eficiente para calefacción.

A la hora de refrigerar, a diferencia del aire acondicionado que está diseñado principalmente para la refrigeración, funciona eliminando el calor del aire interior y expulsándolo al exterior, enfriando así el ambiente interno este procedimiento se usa para calentar/enfriar agua que, a su vez, luego se usa para calentar/enfriar las estancias. Aunque algunos modelos de aire acondicionado tienen funciones de calefacción, estas no trabajan igual y no  son tan eficientes como las de una bomba de calor dedicada.

Comparativa aerotermia vs. otras soluciones
 

  • Eficiencia Energética

   • Aerotermia

Utiliza una cantidad mínima de electricidad para extraer y transferir calor, logrando un coeficiente de rendimiento (COP) muy alto. Esto significa que, por cada unidad de energía eléctrica consumida, puede generar múltiples unidades de calor, siendo más eficiente en climas fríos.

   • Aire Acondicionado

Principalmente eficiente en la refrigeración, su capacidad para calentar es menos eficiente y puede consumir más energía, especialmente en temperaturas muy bajas donde el rendimiento disminuye.

  • Integración con fotovoltaica

   • Aerotermia

La integración con paneles solares fotovoltaicos es altamente efectiva. Durante los días soleados, los excedentes de energía generados por los paneles pueden ser utilizados para alimentar la bomba de calor, reduciendo la dependencia de la red eléctrica y optimizando el uso de energía renovable.

   • Aire Acondicionado

También puede beneficiarse de la energía fotovoltaica, especialmente durante los meses de verano cuando la demanda de refrigeración y la producción solar son altas. Sin embargo, su uso para calefacción en invierno puede no ser tan eficiente, además su capacidad para utilizar los excedentes energéticos durante todo el año es muy limitada.

 

Consideraciones para la Instalación
 

  • Evaluación de Excedentes Energéticos

Los sistemas de aerotermia son rentables incluso sin fotovoltaica ya que los costes de la electricidad requerida son menores a los costes del gas. Además, tiene un COP de 4 o más, por lo que, incluso sin contar con una instalación fotovoltaica, sigue siendo una opción tremendamente eficiente y rentable.

Pero si además contamos con una instalación fotovoltaica, el coste del kWh empleado para mover la bomba de calor es ridículamente bajo y después de amortizar la inversión, nulo.

  • Compatibilidad con Baterías

La compatibilidad con baterías también es un factor a considerar a la hora de instalar un sistema de aerotermia. Y es que, las baterías pueden almacenar los excedentes de energía generados por los paneles solare, permitiendo su uso durante períodos de baja producción solar. Esta combinación de aerotermia y baterías garantiza un suministro constante de energía, mejorando la eficiencia y la gestión de los recursos energéticos del hogar.
 

Aerotermia

 

Conclusión

La aerotermia, en combinación con la energía fotovoltaica, ofrece una solución eficiente y sostenible para la calefacción, refrigeración y generación de agua caliente sanitaria en el hogar. Su capacidad para gestionar los excedentes energéticos y su compatibilidad con los paneles solares la convierten en una opción atractiva para los hogares que buscan mejorar su eficiencia energética y reducir su huella de carbono.

aerotermia y fotovoltaica

 

¡Descuento directo en tu primera compra de aerotermia!

 

  • Oferta válida para clientes nuevos o clientes que realicen su primera compra de aerotermia con Amara antes del 01/01/2025.
     
  • Descuento directo de 1.000€ para pedidos a partir de 10.000€ que incluyan, al menos, un equipo de aerotermia. Combinable con accesorios, o materiales de solar fotovoltaica. 
     
  • Descuento directo de 500 € para pedidos inferiores a 10.000€ y que incluyan, al menos, un equipo de aerotermia.

 

 Solicítala aquí           
 

→ Contacta con el equipo de aerotermia directamente en eficienciaenergetica@amaranzero.com